This big bag emptying station is suitable for free-flowing regrind and granules. The big bag can be conveniently attached to a forklift or an electric crane.
The containers of the two big bag emptying stations differ at the outlet of the funnel. One funnel is provided for lateral suction and has an angular outlet. The other funnel is round at the outlet and is suitable for the connection of a rotary valve. The discharge capacity of the rotary valve can be approx. 3−6 tonnes/h.
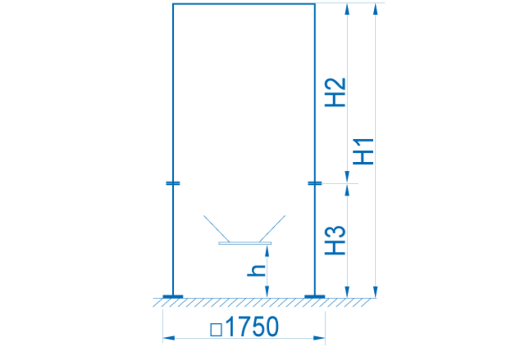
The 600-l container is sufficiently dimensioned for a low material throughput. The containers are available in aluminium or stainless steel.


| H1 | H2 | H3 | Big bag height | h | Material container | |
|---|---|---|---|---|---|---|
| BB.CE.0600.60.200.003.17.S15.AL | 4450 | 2700 | 1750 | 1500 | 200 | Aluminium |
| BB.CE.0600.60.200.003.17.S15.CR | 4450 | 2700 | 1750 | 1500 | 200 | Stainless steel |
| BB.CE.0600.60.200.003.17.S20.AL | 4950 | 3200 | 1750 | 2000 | 200 | Aluminium |
| BB.CE.0600.60.200.003.17.S20.CR | 4950 | 3200 | 1750 | 2000 | 200 | Stainless steel |
| BB.CE.0600.60.200.003.20.S15.AL | 4700 | 2700 | 2000 | 1500 | 450 | Aluminium |
| BB.CE.0600.60.200.003.20.S15.CR | 4700 | 2700 | 2000 | 1500 | 450 | Stainless steel |
| BB.CE.0600.60.200.003.20.S20.AL | 5200 | 3200 | 2000 | 2000 | 450 | Aluminium |
| BB.CE.0600.60.200.003.20.S20.CR | 5200 | 3200 | 2000 | 2000 | 450 | Stainless steel |
| H1 | H2 | H3 | Big bag height | h | Material container | |
|---|---|---|---|---|---|---|
| BB.CE.0600.60.200.003.17.K15.AL | 4950 | 3200 | 1750 | 1500 | 200 | Aluminium |
| BB.CE.0600.60.200.003.17.K15.CR | 4950 | 3200 | 1750 | 1500 | 200 | Stainless steel |
| BB.CE.0600.60.200.003.17.K20.AL | 5450 | 3700 | 1750 | 2000 | 200 | Aluminium |
| BB.CE.0600.60.200.003.17.K20.CR | 5450 | 3700 | 1750 | 2000 | 200 | Stainless steel |
| BB.CE.0600.60.200.003.20.K15.AL | 5200 | 3200 | 2000 | 1500 | 450 | Aluminium |
| BB.CE.0600.60.200.003.20.K15.CR | 5200 | 3200 | 2000 | 1500 | 450 | Stainless steel |
| BB.CE.0600.60.200.003.20.K20.AL | 5700 | 3700 | 2000 | 2000 | 450 | Aluminium |
| BB.CE.0600.60.200.003.20.K20.CR | 5700 | 3700 | 2000 | 2000 | 450 | Stainless steel |
| H1 | H2 | H3 | Big bag height | h | Material container | |
|---|---|---|---|---|---|---|
| BB.CE.0600.60.200.000.20.S15.AL | 4700 | 2700 | 2000 | 1500 | 450 | Aluminium |
| BB.CE.0600.60.200.000.20.S15.CR | 4700 | 2700 | 2000 | 1500 | 450 | Stainless steel |
| BB.CE.0600.60.200.000.20.S20.AL | 5200 | 3200 | 2000 | 2000 | 450 | Aluminium |
| BB.CE.0600.60.200.000.20.S20.CR | 5200 | 3200 | 2000 | 2000 | 450 | Stainless steel |
| H1 | H2 | H3 | Big bag height | h | Material container | |
|---|---|---|---|---|---|---|
| BB.CE.0600.60.200.000.20.K15.AL | 5200 | 3200 | 2000 | 1500 | 450 | Aluminium |
| BB.CE.0600.60.200.000.20.K15.CR | 5200 | 3200 | 2000 | 1500 | 450 | Stainless steel |
| BB.CE.0600.60.200.000.20.K20.AL | 5700 | 3700 | 2000 | 2000 | 450 | Aluminium |
| BB.CE.0600.60.200.000.20.K20.CR | 5700 | 3700 | 2000 | 2000 | 450 | Stainless steel |
| BB.CE.0600.60.200.000.22.K15.AL | 5450 | 3200 | 2250 | 1500 | 700 | Aluminium |
| BB.CE.0600.60.200.000.22.K15.CR | 5450 | 3200 | 2250 | 1500 | 700 | Stainless steel |
| BB.CE.0600.60.200.000.22.K20.AL | 5950 | 3700 | 2250 | 2000 | 700 | Aluminium |
| BB.CE.0600.60.200.000.22.K20.CR | 5950 | 3700 | 2250 | 2000 | 700 | Stainless steel |