BigBags

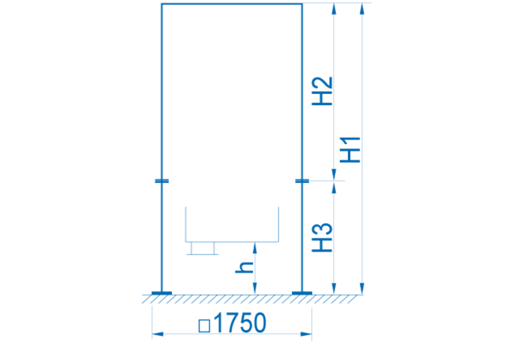
BIGBAG EMPTYING UNIT for PET flakes − DN200 / DN250 − 450 l

This big bag emptying station was designed specifically for the storage and discharge of PET flakes. The big bag is conveniently attached to an electric crane. A shaking device loosens the PET flakes with oscillating movements and ensures that they are discharged from the big bag without any problems. On the flat bottom of the container, an rotary bin discharger clears and doses the PET flakes into the discharge opening.

For the moving parts we can also provide safety equipment on request (protective fence with light curtain). A suitable PLC control with an interface to the higher-level system control can be produced by us.

450 l − emptying with rotary bin discharger

BigBag emptying unit 450 l
  • Stable steel construction (RAL9005 jet black)
  • Electric crane (RAL5009 azure blue) with lifting cross (RAL1003 signal yellow); Max. load capacity 2000 kg, hook path 5 m
  • Inlet collar Ø 450 mm
  • Openings closed with a plate:
    1x Ø 55 mm (for connection of a screw socket for detectors)
    1x Ø 100 mm (for connection of a filter)
  • Screw socket 1 ½” for detectors, on the side on the container (closed)
  • Shaking device for discharge support on big bag (with maintenance unit and pressed air regulator valve, magnetic valve 24 V for discharge control)
  • Rotary bin discharger (motor 400 V; 50 Hz); 1.1 kW; 14 rpm; RAL9005 (jet black); Outlet Ø 250

            Detail: Container with rotary bin discharger

OPTIONS

Safety equipment
  • Safety fence on three sides (RAL7035 / RAL9005)
  • Light curtain on the operator side
 
BB.CR.WALK.PROTECT 24 V DC
Suction box for agitator discharge
  • 1x guide pipe for suction probe with inner diameter of 102 mm
  • Star grip screw for fixing the suction probe
  Ø
AUS.RWE.Z.ASK.01 DN250
Outlet pipe for rotary bin discharger
  Ø L
AUS.RWE.Z.Pipe.200.240 DN200 240
AUS.RWE.Z.Pipe.250.240 DN250 240
AUS.RWE.Z.Pipe.250.470 DN250 470
  Ø L
AUS.RWE.Z.FLEX.ZRS DN250 500
Rotary valve
 
ZRS.01.250.XX.FU.AL  

Do you have any questions?

We are available Monday to Thursday from 7 a.m. to 4 p.m. On Fridays, you can reach us until 3 p.m. or simply send us an e-mail!