roller-containers
roller-containers
Roller-Container

CONTAINER CE.A1

Depending on size and use, the containers of the CE.A1 series are also referred to as bag emptying bins, day silos or material bunkers.

Suitable for emptying standard 25 kg bags. Filling can also take place with a vacuum hopper loader placed on top. For this purpose, we offer a suitable cover with adapter plates for the vacuum hopper loaders of the leading manufacturers of central material feeding systems. Sizes from 300 l to 4800 l are available. Each size is offered in aluminium and stainless steel.

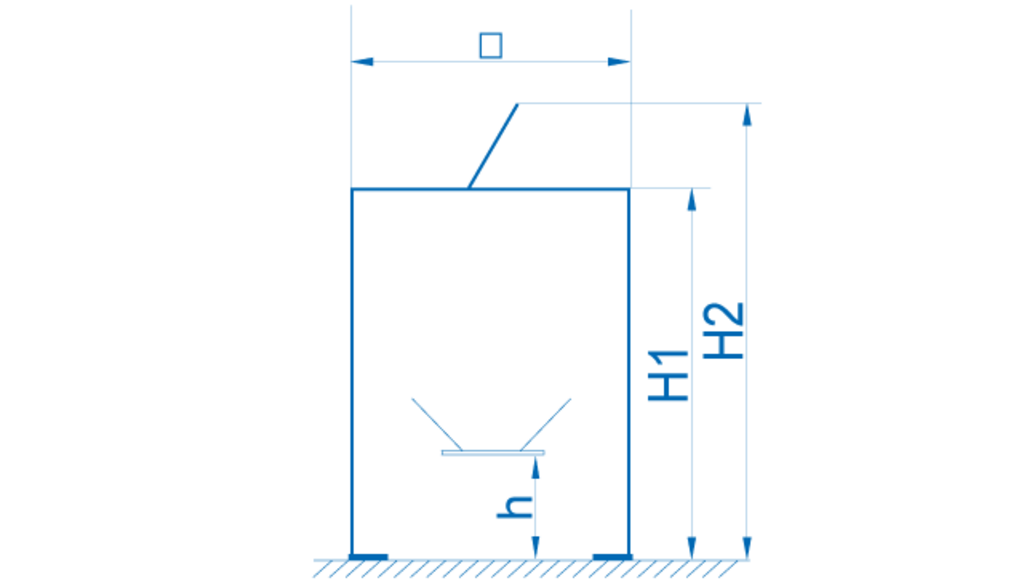
All containers have an opening for a MIN detector in the funnel. Sizes from 1000 l come with an opening for a MAX detector and an inspection hole in the container wall. The feet of the containers up to and including 750 l can be height-adjusted. The hinged cover can be equipped with cover locking (electro-mechanical guard locking) which, in conjunction with barcode validation, can prevent incorrect filling.

For product removal, we offer various suction boxes with suction nozzles, suitable for conveyor systems with pipe diameters of 38–84 mm. This provides an interface to all manufacturers of material feeding systems.

300−750 l

1000−4800 l

Suction boxes

Level measuring technology

Container CE.A1
  • Made of aluminium or stainless steel
  • Four steel feet (RAL9005)
  • height-adjustable
  • Hinged cover with "softclose" function
  • Support for grate
  • Opening for vacuum hopper loader on the roof (closed with plate)
  • Opening for detector in the funnel (closed with plate)
  • Cone angle 90°

*adjustable to 200, 300 or 400 mm


Accessories

Grid
  • Made of stainless steel
  Container width
CE.Z.ROST.0800.CR 800
CE.Z.ROST.1000.CR 1000
CE.Z.ROST.1200.CR 1200
Cover locking (electro-mechanical guard locking)
  • Safety limit switch with 5 m cable and small parts
 
CE.Z.VERRIEGELUNG.01 24 V (DC)
Adapter plate
  • Made of stainless steel
  • maximum load: 50 kg
  • Connection diameter by arrangement
  Connection size
CE.Z.ADAPT.SFG.XXX.XXX.CR Øi max. 366 mm; LKD max. 386 mm
Forklift skid set
  • Made of steel (RAL9005)
  • 2x runners, 4x load frame part, 4x gusset plates
  V
CE.Z.KUFEN.1000.VAR 1000 400–500 l
CE.Z.KUFEN.1200.VAR 1200 500–750 l
Rollers
  • Two fixed castors and two lockable swivel castors
  • maximum container size = 750 l
  h
CE.Z.ROLLEN 155
Container CE.A1
  • Made of aluminium or stainless steel
  • Four steel feet (RAL9005)
  • Hinged cover with "softclose" function
  • Support for grate
  • Opening for vacuum hopper loader on the roof (closed with plate)
  • Opening for MAX and MIN detectors (closed with plate)
  • Inspection hole (450 x 300 mm) with cover
  • Cone angle 90°

Accessories

Grid
  • Made of stainless steel
  Container width
CE.Z.ROST.1200.CR 1200
CE.Z.ROST.1500.CR 1500
Cover locking (electro-mechanical guard locking)
  • Safety limit switch with 5 m cable and small parts
 
CE.Z.VERRIEGELUNG.01 24 V (DC)
Adapter plate
  • Made of stainless steel
  • maximum load: 50 kg
  • Connection diameter by arrangement
  Connection size
CE.Z.ADAPT.SFG.XXX.XXX.CR Øi max. 366 mm; LKD max. 386 mm
Forklift skid set
  • Made of steel (RAL9005)
  • 2x runners, 4x load frame part, 4x gusset plates
  V
CE.Z.KUFEN.1200.FEST 1200 1000–2000 l
CE.Z.KUFEN.1500.FEST 1500 2000–3000 l
Suction box 1-way
  • Made of stainless steel
  • For suction pipe Ø 38−60.3 mm
  • Total emptying on housing floor
  Suction points
ASK.CE.1 1
Suction box 2-way
  • Made of stainless steel
  • For suction pipe Ø 38−60.3 mm
  • Total emptying on housing floor
  Suction points
ASK.CE.2 2
Suction box 4-way
  • Made of stainless steel
  • For suction pipe Ø 38−60.3 mm
  • Total emptying on housing floor
  Suction points
ASK.CE.4 2 / 2
Slide valve
  • Made of stainless steel
  • Optional for ASK.CE.2 and ASK.CE.4
     
 
CE.Z.SCH.100.01  
Suction box 4-way
  • Made of stainless steel
  • For suction pipe Ø 38−84 mm
  • Screw socket 1 1/2” for MIN detector
  • Lateral inspection and cleaning opening
  • With separate container connection flange
  Suction points
ASK.SL.B.04 + ASK.SL.A.CE 4
Suction box 6-way
  • Made of stainless steel
  • For suction pipe Ø 38−84 mm
  • Screw socket 1 1/2” for MIN detector
  • Lateral inspection and cleaning opening
  • With separate container connection flange
  Suction points
ASK.SL.B.06 + ASK.SL.A.CE 6
Suction pipe for suction box
  • Made of stainless steel
  Ø
ASK.SL.C.038.SIEB 38
ASK.SL.C.040.SIEB 40
ASK.SL.C.045.SIEB 44.5
ASK.SL.C.050.SIEB 50
ASK.SL.C.054.SIEB 54
ASK.SL.C.060.SIEB 60.3
ASK.SL.C.065.SIEB 65
ASK.SL.C.070.SIEB 70
ASK.SL.C.076.SIEB 76.1
ASK.SL.C.084.SIEB 84
Filter for suction point
  • Not for ASK.CE.1
  Ø
ASK.SL.Z.FILT.050 50
ASK.SL.Z.FILT.060 60.3
Adapter flange
CE.Z.ADAPT.ASK.CR.CR
Light with bracket
Continuous warning light
 
CE.Z.LEUCHTE.01.230V 230 V (50 Hz)
CE.Z.LEUCHTE.01.024V 24 V DC
Strobe light
 
CE.Z.LEUCHTE.02.230V 230 V (50 Hz)
CE.Z.LEUCHTE.02.024V 24 V DC

 
FÜ.MIN.4020.0170.01 24V (DC) + 230 V (50Hz)
Inch threads
  Size
CE.Z.GM.10.CR 1”
CE.Z.GM.15.CR 1 1/2”
Metric threads
  Size
CE.Z.GM.M30.1.5.CR M30 x 1.5
CE.Z.GM.M32.1.5.CR M32 x 1.5
Control for MAX or MIN
  • Made of plastic, RAL7035
  • Power supply: 230 V, 50 Hz, 16 A
  • Signal light “red”
  • Confirm button horn signal
     
CTRL.MELDER.01
Control for MAX and MIN
  • Made of plastic, RAL7035
  • Power supply: 230 V, 50 Hz, 16 A
  • Signal light “red” for MAX
  • Signal light “white” for MIN
  • Confirm button horn signal
CTRL.MELDER.02
Weighing system for containers
  • Four weighing modules with load cells, terminal box and weight indicator with display
  • RS232 output for printer or remote display
  Payload (kg) Analogue output Four digital/analogue outputs
FÜ.WS.CE.01300.01 1300 no no
FÜ.WS.CE.01300.11 1300 yes yes
FÜ.WS.CE.05000.01 5000 no no
FÜ.WS.CE.05000.11 5000 yes yes

Do you have any questions?

We are available Monday to Thursday from 7 a.m. to 4 p.m. On Fridays, you can reach us until 3 p.m. or simply send us an e-mail!